1
/
von
4
Mein Shop
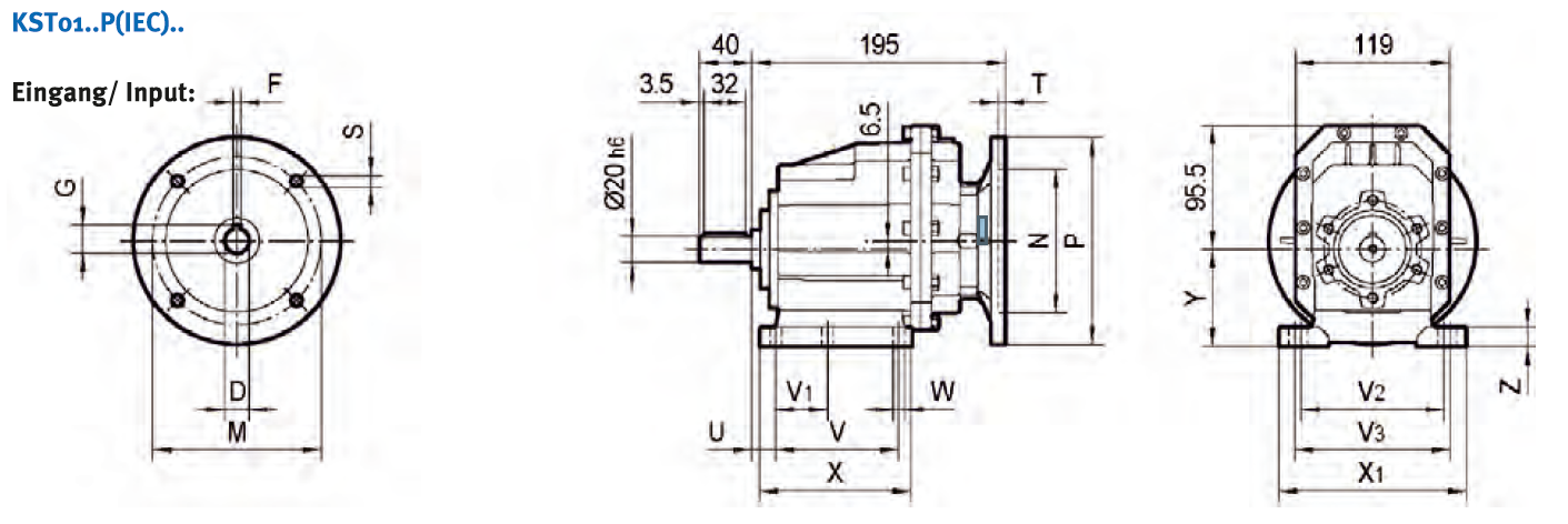
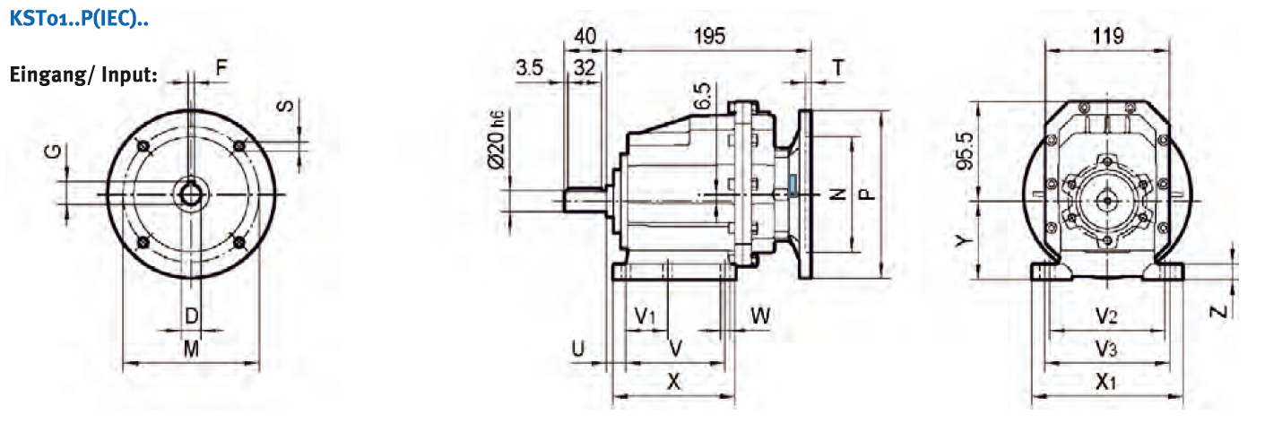
Stirnradgetriebe KST01 9,81 - 3,82 mit Welle d= 20mm Fuß Code B02
Stirnradgetriebe KST01 9,81 - 3,82 mit Welle d= 20mm Fuß Code B02
Normaler Preis
€403,48
Normaler Preis
Verkaufspreis
€403,48
Inkl. Steuern.
Versand wird beim Checkout berechnet
Anzahl
Lieferzeit:
Verfügbarkeit für Abholungen konnte nicht geladen werden
ATG Stirnradgetriebe KST
- modulare Stirnradgetriebe Serie für schnelle und kosteneffiziente Anpassung der Anbausituation. Geringe Lagerhaltung durch ein einzigartiges modulares System mit unterschiedlichen Flanschvarianten und Fußvarianten..
- Standardmäßig mit IEC Motor Adapter, andere Anbauflansche wie Servomotor- oder Nema-Flansche auf Nachfrage lieferbar
- Hoher Wirkungsgrad
- Geringe Eigengeräusche und sehr ruhiger Lauf affiniertes Design
- Getriebegehäuse in Leichtbauweise aus hochwertigem Aluminiumdruckguss
- Motoranbau erfolgt mittels IEC-Adapter B5 oder B14k (klein)
- Lange Lebensdauer durch gehärtete Zahnräder
- Automatisierte Produktion mit Jahresmengen bis zu 1,7 Millionen Einheiten
- Anzahl der Getriebe Baugrößen: 6
- Leistungsbereich: 0,12 – 11 kW
- Untersetzung i: 3,74 – 58,78
- Drehmomentbereich: 3 – 1649 Nm
- Welle d= 20mm
- Fuß Code B02
Share
